Sennheiser
首页
产品中心
实验室蠕动泵
防爆蠕动泵
灌装系统
工业蠕动泵
OEM蠕动泵&泵头
蠕动泵软管和配件
ODM系统解决方案
应用案例
新闻动态
企业新闻
展会动态
媒体报道
技术支持
关于申辰
联系我们
CN
▼
EN
首页
OEM蠕动泵&泵头
速装型YZ35系列泵头
OEM-Z501
转速范围:
600 rpm
流量范围:
≤12000 mL/min
可选泵头:
YZ35-II
在线咨询
资料下载
产品简介
技术参数
流量范围
应用案例
尺寸图
产品简介
PRODUCT INTRODUCTION
泵头壳体采用高压铸铝工艺制造而成,强度高,一致性好。
可配电磁传感器,可输出开盖启停信号,实现开盖停转功能。
卡管结构改进,可轻松安装或拆卸软管,避免软管异常损伤。
新增扳杆限位装置,稳定固定扳杆,避免震动松脱。
滚轮为304不锈钢材质,不惧漏液腐蚀。
技术参数
TECHNICAL PARAMETER
产品型号
OEM-Z501
电机转速
600rpm
电机类型
直流减速电机
工作电源
DC24V
转速误差
≤±10%
工作环境
0-40℃,<80%RH无凝露
流量范围
FLOW RANGE
型号
软管
内径×壁厚
(mm)
毫升/转
流量范围(mL/min)
(600rpm)
软管承压
间断
连续
OEM-Z501
/YZ35-II
26#
6.4×3.3
6.9
4140
0.27
0.2
73#
9.6×3.3
12.3
7380
0.27
0.2
82#
12.7×3.3
20
12000
0.14
0.1
应用案例
APPLICATION CASES
广泛应用于分析仪器配套、环保仪器配套、在线监测仪器、生化分析仪器。
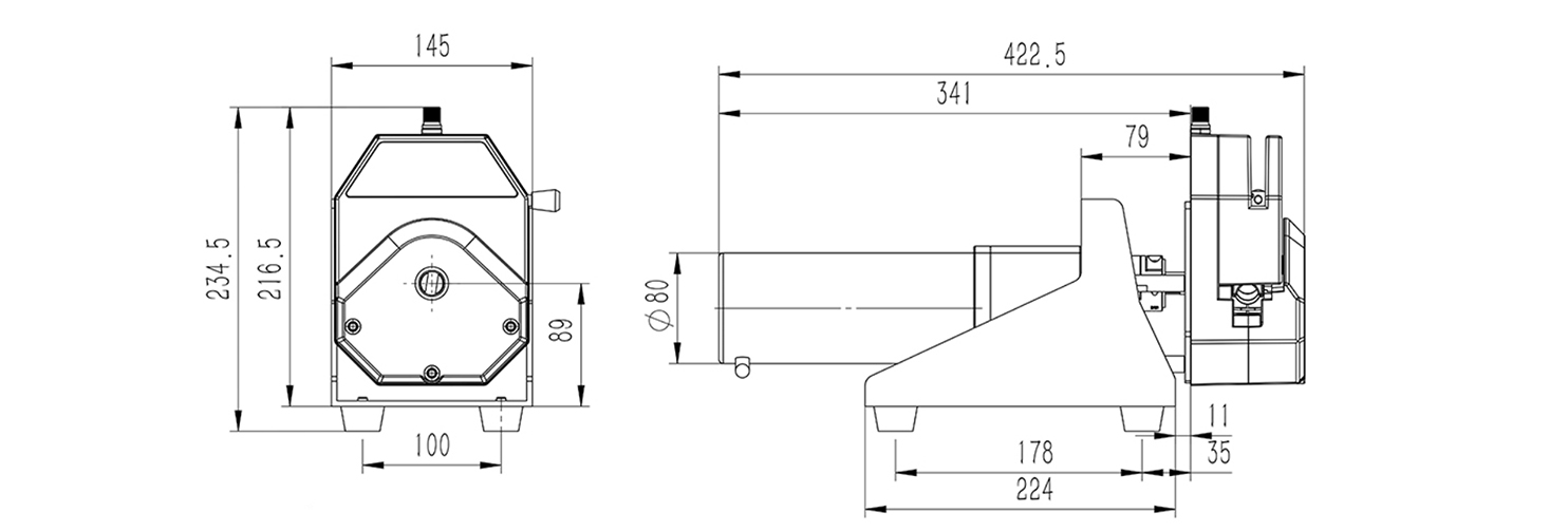
尺寸图
(单位:mm)
PRODUCT INTRODUCTION